ln einem Personenwagen werden bis zu 1000 Meter Leitungen verlegt, um alle elektrischen Verbraucher (Scheinwerfer, Radio usw.) mit Strom zu versorgen.
Will man einen Fehler in der elektrischen Anlage aufspüren oder nachträglich ein elektrisches Zubehör montieren, kommt man nicht ohne Stromlaufplan aus; anhand dessen der Stromverlauf und damit die Kabelverbindungen aufgezeigt werden. Um das Kabelgewirr zumindest auf dem Stromlaufplan übersichtlich zu ordnen, sind nur jeweils einzelne Schaltkreise auf Detailplänen angeordnet. Grundsätzlich muß der betreffende Stromkreis geschlossen sein, sonst kann der elektrische Strom nicht fließen. Es reicht beispielsweise nicht aus, wenn an der Plusklemme eines Scheinwerfers Spannung anliegt, wenn nicht gleichzeitig über den Masseanschluß der Stromkreis geschlossen ist.
Deshalb ist auch das Massekabel der Batterie mit der Karosserie verbunden. Mitunter reicht diese Masseverbindung jedoch nicht aus, und der betreffende Verbraucher bekommt eine direkte Masseleitung. In den einzelnen Stromkreisen können Schalter, Relais, Sicherungen, Meßgeräte, elektrische Motoren oder andere elektrische Bauteile integriert sein.
Um das Kabelgewirr zumindest auf dem Stromlaufplan entwirren zu können, sind die Stromlaufpläne in einzelne Baugruppen aufgeteilt. Anhand des Stromlaufplanes kann die einzelne Leitung zwischen den Bauteilen verfolgt werden. Auf dem Steckverbindungsplan kann man erkennen wo die einzelne Leitungen im Fahrzeug verlegt sind und wo die Leitungen mit Steckern getrennt werden können.
Am sinnvollsten geht man bei der Benutzung des Stromlaufplanes folgendermaßen vor: Zuerst sucht man in der Legende das betreffende Bauteil, zum Beispiel den Schalter für das Heizgebläse. Neben der Bauteil-Benennung wird dann die entsprechende Nummer angezeigt, die im Stromlaufplan neben dem entsprechenden Bauteil wieder auftritt.
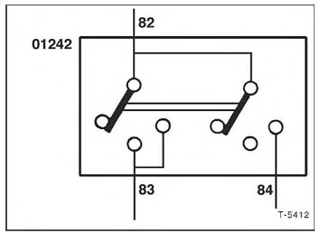
Um den Stromlaufplan lesen zu können, ist die Kenntnis einiger Bauteile erforderlich, außerdem sollte man die wichtigsten Schaltzeichen kennen.
Alle Schalter und Verbraucher sind in Ruhestellung gezeichnet. Der geänderte Stromverlauf nach Betätigung eines Schalters sei am Beispiel eines Zweistufen-Schalters erläutert:

Wird am Schalter die erste Stufe gedrückt, fließt der Strom von der Klemme 82 kommend über die Klemme 83. Die Brücke der zweiten Schalterstufe rückt in Mittelstellung, jedoch ohne eine Verbindung herzustellen. Erst beim Drücken der zweiten Schalterstufe rückt die Brücke der zweiten Schalterstufe von der internen Leitung 82 auf 84 und gibt den Strom über 84 weiter. Dabei bleibt über die interne Verbindung im Schalter, rechts abgewinkelte Leitung von 83, der Stromfluß der ersten Schalterstufe bestehen.
Der Sicherungskasten mit den Sicherungen und Relais ist in jedem Detailplan mit den entsprechenden Sicherungen eingezeichnet. Sicherungsbelegung, siehe Seite 187.
Stromlaufpläne PEUGEOT 106
Modelljahr 1994
Wegen des großen Umfangs der vorhandenen Stromlaufpläne können nicht alle Modelljahre berücksichtigt werden. Bei einer Neuauflage wird jeweils der aktuelle Stromlaufplan veröffentlicht, an dem sich auch Fahrzeugbesitzer älterer Modelle orientieren können.
Karosserie/Innenausstattung
Erläuterung StromlaufplanKofferraumausstattung
1. Hintere Ablage
Hintere Ablage
Ablage ausbauen:
haken Sie die Ablage aus der Halterung A
aus,
ziehen Sie sie an beiden Seiten hoch, um
sie aus den Halterungen zu lösen,
heben Sie die Ablage an und kippen Sie sie
leicht, um sie herauszuziehen.
Verstauen, zwei Möglichkeit ...
Kraftstoffvorratsbehälter aus- und einbauen
Der Kraftstoffbehälter mit einem Fassungsvermögen von 45 Litern befindet sich
unter dem Bodenblech unterhalb der Rücksitzbank.
Achtung: Beim Ausbau des Kraftstofftanks muß der Tank leer sein, sonst läuft
beim Ausbau Kraftstoff aus. Dazu entweder Tank weitgehend leerf ...
Elektronisch gesteuertes mechanisches Sechsganggetriebe
Das elektronisch gesteuerte mechanische
Sechsganggetriebe bietet
wahlweise den Komfort einer Schaltautomatik
oder den mit einer Handschaltung
verbundenen Fahrgenuss.
Dabei haben Sie die Wahl zwischen
zwei Betriebsarten:
Automatikbetrieb mit automatischer
Steuerung der Gänge durch
...