Je nach Modell und Ausstattung besitzt der PEUGEOT 106 ein elektronisches Anti-Blockier-System (ABS) von BENDIX. Ein nachträglicher Einbau des ABS ist nicht möglich.

Das Antiblockiersystem (ABS) verhindert, daß bei scharfem Abbremsen die Räder blockieren. Dadurch bleibt das Fahrzeug bei einer Vollbremsung lenkbar.
Das ABS ist funktionsbereit, sobald die Zündung eingeschaltet ist und die Kontrollampen erloschen sind. Es greift in den Bremsvorgang ein, sobald ein Rad zum Blockieren neigt.
Durch Drehzahlgeber an den Rädern wird die jeweilige Radgeschwindigkeit an das Steuergerät übermittelt. Aus den Signalen der einzelnen Drehzahlgeber errechnet das elektronische Steuergerät eine Durchschnittsgeschwindigkeit, die in etwa der Fahrzeuggeschwindigkeit entspricht. Durch Vergleich der Radgeschwindigkeit für ein einzelnes Rad und der Durchschnittsgeschwindigkeit aller Räder erkennt das Steuergerät den Schlupfzustand des einzelnen Rades und kann dadurch feststellen, wenn sich ein Rad kurz vor dem Blockieren befindet.
Sobald ein Rad zum Blockieren neigt, der Bremsflüssigkeitsdruck im Bremssattel ist dann zu hoch im Verhältnis zur Haftfähigkeit des Reifens auf der Straße, verringert das Hydrauliksystem aufgrund von Signalen des Steuergerätes den Flüssigkeitsdruck im Bremskreis des jeweiligen Vorderrades. Jedoch nur so weit, bis das Rad wieder geringfügig beschleunigt, dann schließen die Ventile wieder und der durch die Bremspedalbetätigung erzielte Druck wirkt wieder.
Dieser Vorgang wiederholt sich bei scharfem Bremsen für jedes einzelne Rad so lange, bis das Bremspedal zurückgenommen wird, beziehungsweise bis kurz vor Stillstand des Fahrzeuges.
Eine Sicherheitsschaltung im elektronischen Steuergerät sorgt dafür, daß sich das ABS bei einem Defekt selbst abschaltet. In diesem Fall leuchtet die ABS-Kontrolleuchte am Armaturenbrett während der Fahrt auf. Die herkömmliche Bremsanlage bleibt dabei in Betrieb. Das Fahrzeug verhält sich beim Bremsen dann so, als ob kein ABS eingebaut wäre.
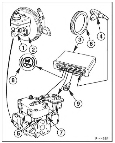
Achtung: Vor Schweißarbeiten mit einem elektrischen Schweißgerät muß der Stecker vom elektronischen Steuergerät abgezogen werden. Stecker nur bei ausgeschalteter Zündung abziehen.
Störungsdiagnose Bremse
| Störung | Ursache | Abhilfe |
| Leerweg des Bremspedals zu groß | Bremsbeläge teilweise oder völlig abgenutzt Ein Bremskreis ausgefallen Speziell bei Trommelbremse: Nachstellautomatik der Trommelbremse klemmt |
Bremsbeläge erneuern Bremskreise auf Flüssigkeitsverlust prüfen Nachstelleinheit gangbar machen |
| Bremspedal läßt sich weit und federnd durchtreten | Luft im Bremssystem Zu wenig Bremsflüssigkeit im Ausgleichbehälter Dampfblasenbildung. Tritt meist nach starker Beanspruchung auf, z. B. Paßabfahrt |
Bremse entlüften Neue Bremsflüssigkeit nachfüllen Bremse entlüften Bremsflüssigkeit wechseln. Bremse entlüften |
| Bremswirkung läßt nach,und Bremspedal läßt sich durchtreten | Undichte Leitung Beschädigte Manschette im Hauptoder Radbremszylinder Speziell bei Scheibenbremse: Stationärer Gummidichtring beschädigt |
Leitungsanschlüsse nachziehen oder Leitung erneuern Manschette erneuern. Beim Hauptbremszylinder Innenteile ersetzen, ggf. Hauptbremszylinder ersetzen Bremssattel überholen |
| Schlechte Bremswirkung trotz hohen Fußdrucks | Bremsbeläge verölt Ungeeigneter oder verhärteter Bremsbelag Bremskraftverstärker defekt, Unterdruckleitung porös, defekt Speziell bei Scheibenbremse: Bremsbeläge abgenutzt |
Bremsbeläge erneuern Beläge erneuern. Nur Original-Bremsbeläge vom Automobilhersteller verwenden Bremsservo, Unterdruckleitung prüfen Bremsbeläge erneuern |
| Bremse zieht einseitig | Unvorschriftsmäßiger Reifendruck Bereifung ungleichmäßig abgefahren Bremsbeläge verölt Verschiedene Bremsbelagsorten auf einer Achse Schlechtes Tragbild der Bremsbeläge Speziell bei Scheibenbremse: Verschmutzte Bremssattelschächte Korrosion in den Bremssattelzylindern Bremsbelag ungleichmäßig verschlissen Speziell bei Trommelbremse: Kolben in den Radbremszylindern schwergängig |
Reifendruck prüfen und berichtigen Abgefahrene Reifen ersetzen Bremsbeläge erneuern Beläge erneuern. Nur Original-Bremsbeläge vom Automobilhersteller verwenden Bremsbeläge austauschen Sitz- und Führungsflächen der Bremsbeläge im Bremssattel reinigen Bremssattel erneuern Bremsbeläge erneuern (beide Räder), Bremssättel auf Leichtgängigkeit prüfen Radbremszylinder instand setzen |
| Bremse zieht von selbst an | Ausgleichsbohrung im Hauptbremszylinder verstopft Spiel zwischen Betätigungsstange und Hauptbremszylinderkolben zu gering |
Hauptbremszylinder reinigen und Innenteile erneuern lassen Spiel prüfen |
| Bremsen erhitzen sich während der Fahrt | Ausgleichsbohrung im Hauptbremszylinder verstopft Spiel zwischen Betätigungsstange und Hauptbremszylinder zu gering Bremse schwergängig Speziell bei Scheibenbremse: Drosselbohrung im Spezial-Bodenventil verstopft Speziell bei Trommelbremse: Bremsbacken-Rückzugfedern erlahmt |
Hauptbremszylinder reinigen und Innenteile erneuern lassen Spiel prüfen Bewegliche Teile der Trommelbremse schmieren. Bremssattel überholen lassen (Werkstattarbeit) Hauptbremszylinder reinigen, Innenteile ersetzen und Bremsflüssigkeit erneuern Rückzugfedern erneuern |
| Bremsen rattern | Ungeeigneter Bremsbelag Speziell bei Scheibenbremse: Bremsscheibe stellenweise korrodiert Bremsscheibe hat Seitenschlag Speziell bei Trommelbremse: Bremsbeläge verschlissen Bremstrommel unrund |
|
| Bremsbeläge lösen sich nicht von der Bremsscheibe, Räder lassen sich schwer von Hand drehen | Speziell bei Scheibenbremse: Korrosion in den Bremssattelzylindern | Bremssattel überholen, eventuell austauschen |
| Ungleichmäßiger Belag- Verschleiß | Speziell bei Scheibenbremse:
Ungeeigneter Bremsbelag Bremssattel verschmutzt Kolben nicht leichtgängig Bremssystem undicht |
Beläge erneuern, Nur Original-Bremsbeläge vom Automobilhersteller
verwenden Bremssattelschächte reinigen Kolben gangbar machen Bremssystem auf Dichtigkeit prüfen |
| Keilförmiger Bremsbelag- Verschleiß | Speziell bei Scheibenbremse:
Bremsscheibe läuft nicht parallel zum Bremssattel Korrosion in den Bremssätteln |
Anlagefläche des Bremssattels prüfen Verschmutzung beseitigen |
| Bremse quietscht | Oft auf atmosphärische Einflüsse (Luftfeuchtigkeit) zurückzuführen Speziell bei Scheibenbremse: Ungeeigneter Bremsbelag Bremsscheibe läuft nicht parallel zum Bremssattel Verschmutzte Schächte im Bremssattel Speziell bei Trommelbremse: Ungeeigneter Bremsbelag Belag liegt nicht satt auf Bremse verschmutzt Rückzugfedern zu schwach |
Keine Abhilfe erforderlich, und zwar dann, wenn Quietschen nach
längerem Stillstand des Wagens bei hoher Luftfeuchtigkeit auftrat, aber
nach den ersten Bremsungen sich nicht wiederholt Beläge erneuern. Nur Original-Bremsbeläge vom Automobilhersteller verwenden Rückenplatte mit Anti-Quietsch-Paste bestreichen Anlagefläche des Bremssattels prüfen Bremssattelschächte reinigen Beläge erneuern. Nur Original-Bremsbeläge vom Automobilhersteller verwenden Beläge erneuern. Nur Original-Bremsbeläge vom Automobilhersteller verwenden Radbremsen reinigen Rückzugfedern erneuern |
| Bremse pulsiert | ABS in Funktion Speziell bei Scheibenbremse: Seitenschlag oder Dickentoleranz der Bremsscheibe zu groß Bremsscheibe läuft nicht parallel zum Bremssattel Speziell bei Trommelbremse: Anlagefläche des Scheibenrades an der Bremstrommel nicht plan, dadurch Verzug der Bremstrommel |
Normal, keine Abhilfe Schlag und Toleranz prüfen. Scheibe nacharbeiten oder ersetzen Anlagefläche des Bremssattels prüfen Es kann versucht werden, die Scheibenräder untereinander auszutauschen. |
Bremslichtschalter ersetzen
Räder und ReifenScheibenwischermotor aus- und einbauen
Ausbau Frontwischermotor
Scheibenwischer laufen lassen und mit dem Scheibenwischerschalter
abschalten, dadurch läuft der Wischer in die Endstellung. Endstellung der
Wischer auf der Windschutzscheibe mit Klebeband markieren.
Motorhaube öffnen und abstützen.
Batterie-Masse ...
Elektrische Fensterheber
Elektrische Fensterheber
Fahrer- und Beifahrerseite verfügen über einen
elektrischen Fensterheber.
Drücken oder ziehen Sie nach dem Einschalten
der Zündung den Schalter 1 . Das Fenster bleibt
stehen, sobald Sie den Schalter loslassen.
Ziehen Sie auch beim kurzzeitigen
...
Geschwindigkeitsbegrenzer
System, das eine Überschreitung der vom
Fahrer einprogrammierten Fahrzeuggeschwindigkeit
verhindert.
Bei Erreichen der Geschwindigkeitsgrenze
bleibt das Gaspedal ohne Wirkung.
Der Geschwindigkeitsbegrenzer wird manuell
eingeschaltet : die programmierte
Geschwindigkeit muss dazu mindest ...