Frontscheibenwischer

Heckscheibenwischer

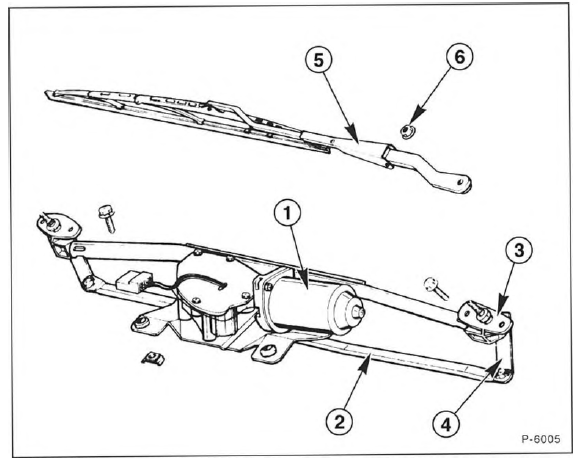
Scheibenwischerarm aus- und einbauen
Scheibenwischermotor aus- und einbauenWechsel in den
Energiesparmodus
Wenn diese Zeit verstrichen sind, wird der Wechsel in den
Energiesparmodus auf dem Bildschirm angezeigt, die eingeschalteten
Verbraucher werden auf Bereitschaft geschaltet.
Wenn Sie gerade ein Gespräch
führen:
können Sie dieses mit der Freisprecheinrichtung
des WIP
Sound n ...
Leerlaufdrehzahl und CO-Gehalt prüfen/einstellen
Die Leerlaufdrehzahl und der CO-Gehalt können nur noch kontrolliert, aber
nicht mehr eingestellt werden. Um einen optimalen Rundlauf und ein gutes
Abgasverhalten zu gewährleisten, sind die Werte entsprechend dem Betriebszustand
im Steuergerät eingespeichert. Werden die Werte nic ...
Frontscheiben-Wischautomatik
Wenn der Sensor hinter dem Innenspiegel
erkennt, dass es regnet, setzt sich
der Frontscheibenwischer automatisch
ohne Zutun des Fahrers in Betrieb und
passt seine Wischgeschwindigkeit an
die Niederschlagsmenge an.
Wischautomatik einschalten
Die Wischautomatik wird vom Fahrer
manuell einges ...