5-Türer

3-Türer

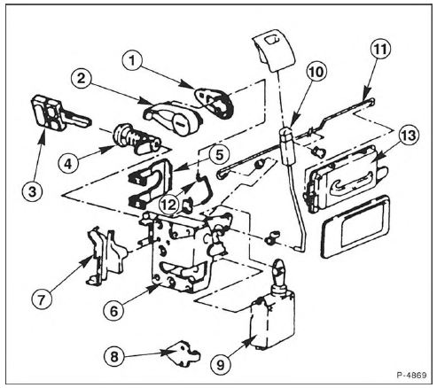
Türverkleidung aus- und einbauen
Türschließzylinder/Türschloß/ Türgriff aus- und
einbauenNockenwelle aus- und einbauen (Benzinmotor)
Benzinmotor
Achtung: Werden Teile der Ventilsteuerung wieder verwendet, müssen
diese an gleicher Stelle wieder eingebaut werden. Damit keine Verwechslungen
Vorkommen, empfiehlt es sich, ein entsprechendes Ablagebrett anzufertigen.
Ausbau
Batterie-Massekabel (-) abklemmen. Achtung: Dad ...
Umbaumöglichkeiten und variable anordnung der sitze
Ihr Fahrzeug ist so konzipiert, dass es
Ihnen zahlreiche Sitzkombinationen
und einen variablen Laderaum bietet.
Besonderheiten
Nach dem Ausbau des mittleren Sitzes
können die beiden seitlichen Sitze der
2. Reihe in die Mitte versetzt werden.
Die Sitze der 2. Reihe können in die
...
Musikzusammenstellung abspielen
Musikzusammenstellung abspielen
Legen Sie eine MP3-CD in den CD-Spieler oder
schließen Sie einen USB-Stick an.
Das System erstellt innerhalb weniger Sekunden bis hin zu
mehreren Minuten Wiedergabelisten (temporärer Speicher).
Die Wiedergabelisten werden bei jedem Ausschalten der ...